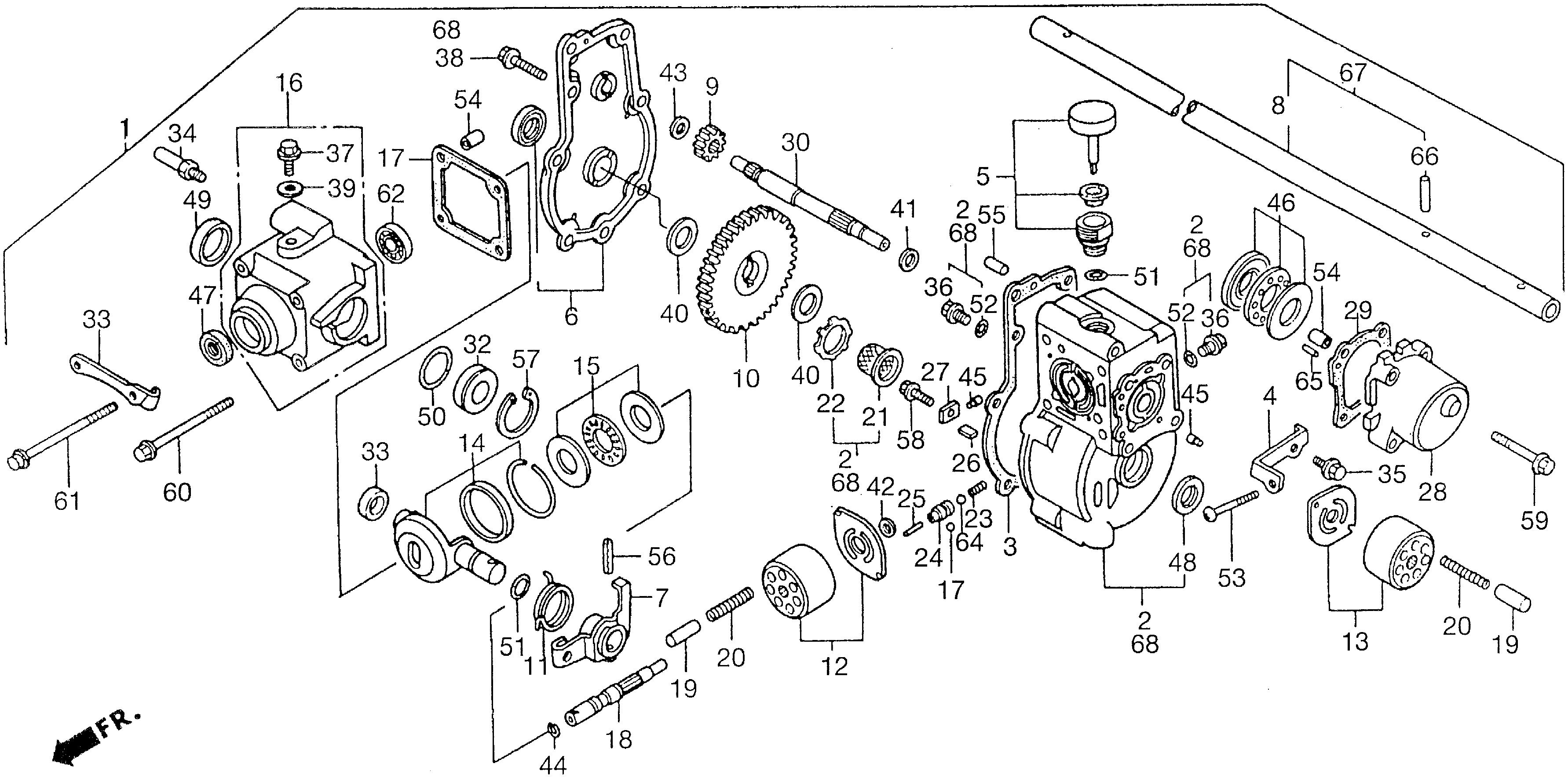
Lawn Mowers HR HR215 HR215K1 HXA MZAM-6200001-9999999 HXA,HMA TRANSMISSION - Heyser Cycle

Ref No
Part Number
Description
Serial Range
Qty
Price

Ref No
1
Part Number
20001-VD6-305
Description
TRANSMISSION ASSY.
Serial Range
6017817 - 9999999
Qty
Price
$626.59

Ref No
2
Part Number
21110-VD6-904
Description
CASE, TRANSMISSION
Serial Range
1000001 - 9999999
Qty
Price
$186.16

Ref No
3
Part Number
21115-VD6-900
Description
GASKET, TRANSMISSION CASE
Serial Range
1000001 - 9999999
Qty
Price
$6.30

Ref No
5
Part Number
21230-VD6-903
Description
CAP, OIL
Serial Range
1000001 - 9999999
Qty
Price
$22.50

Ref No
6
Part Number
21520-VD6-901
Description
COVER, TRANSMISSION
Serial Range
1000001 - 9999999
Qty
Price
$135.38

Ref No
7
Part Number
22533-VD6-900
Description
ARM, CONTROL
Serial Range
1000001 - 9999999
Qty
Price
$7.06

Ref No
9
Part Number
23456-VD6-902
Description
GEAR, FINAL DRIVE (12T)
Serial Range
1000001 - 9999999
Qty
Price
$16.24

Ref No
10
Part Number
23483-VD6-902
Description
GEAR, FINAL DRIVEN (66T)
Serial Range
1000001 - 9999999

Ref No
11
Part Number
24134-VD6-900
Description
SPRING, CONTROL ARM RETURN
Serial Range
1000001 - 9999999
Qty
Price
$6.86

Ref No
12
Part Number
25010-VD6-900
Description
PLATE SET, PUMP CYLINDER
Serial Range
1000001 - 9999999
Qty
Price
$81.66

Ref No
13
Part Number
25011-VD6-900
Description
PLATE SET, MOTOR CYLINDER
Serial Range
1000001 - 9999999
Qty
Price
$81.66

Ref No
14
Part Number
25012-VD6-902
Description
BOWL SET, CONTROL
Serial Range
1000001 - 9999999
Qty
Price
$111.86

Ref No
15
Part Number
25014-VD6-900
Description
BEARING SET, THRUST NEEDLE
Serial Range
1000001 - 9999999
Qty
Price
$37.08

Ref No
16
Part Number
25016-VD6-900
Description
CASE SET, PUMP
Serial Range
1000001 - 9999999
Qty
Price
$106.14

Ref No
17
Part Number
25312-VD6-900
Description
GASKET, PUMP CASE
Serial Range
1000001 - 9999999
Qty
Price
$4.14

Ref No
18
Part Number
25321-VD6-900
Description
SHAFT, PUMP
Serial Range
1000001 - 9999999
Qty
Price
$44.46

Ref No
19
Part Number
25342-VD6-900
Description
PISTON, PUMP
Serial Range
1000001 - 9999999
Qty
Price
$8.90

Ref No
20
Part Number
25343-VD6-900
Description
SPRING, PISTON
Serial Range
1000001 - 9999999
Qty
Price
$1.88

Ref No
21
Part Number
25421-VD6-852
Description
FILTER, SUCTION
Serial Range
1000001 - 9999999
Qty
Price
$9.88

Ref No
22
Part Number
25425-VD6-901
Description
PLATE, FILTER
Serial Range
1000001 - 9999999
Qty
Price
$5.14

Ref No
25
Part Number
25442-VD6-900
Description
NEEDLE A, NEUTRAL VALVE (22.4)
Serial Range
1000001 - 9999999
Qty
Price
$1.60

Ref No
25
Part Number
25443-VD6-900
Description
NEEDLE B, NEUTRAL VALVE (22.6)
Serial Range
1000001 - 9999999
Qty
Price
$1.60

Ref No
25
Part Number
25444-VD6-900
Description
NEEDLE C, NEUTRAL VALVE (22.8)
Serial Range
1000001 - 9999999
Qty
Price
$1.60

Ref No
25
Part Number
25445-VD6-900
Description
NEEDLE D, NEUTRAL VALVE (23.0)
Serial Range
1000001 - 9999999
Qty
Price
$1.60

Ref No
25
Part Number
25446-VD6-900
Description
NEEDLE E, NEUTRAL VALVE (23.2)
Serial Range
1000001 - 9999999
Qty
Price
$1.60

Ref No
26
Part Number
25519-VD6-900
Description
MAGNET
Serial Range
1000001 - 9999999
Qty
Price
$2.98

Ref No
27
Part Number
25529-VD6-900
Description
PLATE, MAGNET SETTING
Serial Range
1000001 - 9999999
Qty
Price
$2.70

Ref No
28
Part Number
25711-VD6-901
Description
CASE, MOTOR
Serial Range
1000001 - 9999999
Qty
Price
$32.90

Ref No
29
Part Number
25712-VD6-902
Description
GASKET, MOTOR CASE
Serial Range
1000001 - 9999999
Qty
Price
$3.24

Ref No
30
Part Number
25721-VD6-901
Description
SHAFT, MOTOR
Serial Range
1000001 - 9999999
Qty
Price
$66.74

Ref No
31
Part Number
25812-VD6-900
Description
BUSH, CONTROL BOWL (A)
Serial Range
1000001 - 9999999
Qty
Price
$8.60

Ref No
32
Part Number
25813-VD6-900
Description
BUSH, CONTROL BOWL (B)
Serial Range
1000001 - 9999999
Qty
Price
$13.08

Ref No
33
Part Number
54346-VD6-900
Description
HOLDER, CONTROL CABLE
Serial Range
1000001 - 9999999
Qty
Price
$12.70

Ref No
34
Part Number
90012-VA4-800
Description
BOLT, GUIDE
Serial Range
1000001 - 9999999
Qty
Price
$4.02

Ref No
36
Part Number
90102-VD6-901
Description
BOLT A, PLUG
Serial Range
1000001 - 9999999
Qty
Price
$5.88

Ref No
37
Part Number
90109-371-000
Description
BOLT, SEALING (8MM)
Serial Range
1000001 - 9999999
Qty
Price
$3.30

Ref No
38
Part Number
90113-VD6-900
Description
BOLT, FLANGE (6X21)
Serial Range
1000001 - 9999999
Qty
Price
$1.74

Ref No
39
Part Number
90421-KM1-003
Description
WASHER, SEALING
Serial Range
1000001 - 9999999
Qty
Price
$2.68

Ref No
40
Part Number
90533-VD6-901
Description
WASHER (15X24X3.2)
Serial Range
1000001 - 9999999
Qty
Price
$5.80

Ref No
41
Part Number
90587-VD6-900
Description
WASHER, THRUST (10.2X16X1)
Serial Range
1000001 - 9999999
Qty
Price
$3.54

Ref No
42
Part Number
90588-VD6-900
Description
WASHER, THRUST (8.3X13X1.6)
Serial Range
1000001 - 9999999
Qty
Price
$3.54

Ref No
43
Part Number
90589-VD6-901
Description
WASHER, THRUST (8.6X13X0.6)
Serial Range
1000001 - 9999999
Qty
Price
$2.82

Ref No
44
Part Number
90662-VD6-900
Description
CLIP, BEARING B
Serial Range
1000001 - 9999999
Qty
Price
$3.90

Ref No
45
Part Number
90755-VD6-900
Description
PIN, DOWEL (3X5.8)
Serial Range
1000001 - 9999999
Qty
Price
$3.68

Ref No
46
Part Number
91061-VD6-901
Description
BEARING, THRUST BALL
Serial Range
1000001 - 9999999
Qty
Price
$60.00

Ref No
47
Part Number
91201-VA4-801
Description
OIL SEAL (10X20X5)
Serial Range
1000001 - 9999999
Qty
Price
$5.12

Ref No
48
Part Number
91201-246-005
Description
OIL SEAL (15X24X5)
Serial Range
1000001 - 9999999
Qty
Price
$8.90

Ref No
49
Part Number
91255-723-671
Description
PLUG, SEAL (22X7)
Serial Range
1000001 - 9999999
Qty
Price
$14.44

Ref No
50
Part Number
91307-PE0-010
Description
O-RING (25X2.4)
Serial Range
1000001 - 9999999
Qty
Price
$5.00

Ref No
51
Part Number
91361-VD6-901
Description
O-RING (11.8X1.9)
Serial Range
1000001 - 9999999
Qty
Price
$2.92

Ref No
52
Part Number
91363-VD6-900
Description
O-RING (6.8X1.9)
Serial Range
1000001 - 9999999
Qty
Price
$1.68

Ref No
54
Part Number
94301-08100
Description
PIN, DOWEL (8X10)
Serial Range
1000001 - 9999999
Qty
Price
$2.74

Ref No
55
Part Number
94303-04065
Description
PIN C, DOWEL (4X6.5)
Serial Range
1000001 - 9999999
Qty
Price
$2.74

Ref No
56
Part Number
94305-50202
Description
PIN, SPRING (5X20)
Serial Range
1000001 - 9999999
Qty
Price
$2.70

Ref No
57
Part Number
94520-30000
Description
CIRCLIP (INNER) (30MM)
Serial Range
1000001 - 9999999
Qty
Price
$1.68

Ref No
58
Part Number
90017-ZV0-000
Description
BOLT, FLANGE (6X18)
Serial Range
1000001 - 9999999
Qty
Price
$2.32

Ref No
59
Part Number
96001-06032-00
Description
BOLT, FLANGE (6X32)
Serial Range
1000001 - 9999999

Ref No
60
Part Number
96001-06060-00
Description
BOLT, FLANGE (6X60)
Serial Range
1000001 - 9999999
Qty
Price
$2.64

Ref No
61
Part Number
96001-06065-00
Description
BOLT, FLANGE (6X65)
Serial Range
1000001 - 9999999
Qty
Price
$3.08

Ref No
62
Part Number
96100-60000-00
Description
BEARING, RADIAL BALL (6000)
Serial Range
1000001 - 9999999

Ref No
63
Part Number
96211-05000
Description
BALL, STEEL (#5) (5/32)
Serial Range
1000001 - 9999999
Qty
Price
$1.34

Ref No
64
Part Number
96211-08000
Description
BALL, STEEL (#8) (1/4)
Serial Range
1000001 - 9999999
Qty
Price
$1.56

Ref No
65
Part Number
96220-40198
Description
ROLLER (4X19.8)
Serial Range
1000001 - 9999999
Qty
Price
$1.00

Ref No
66
Part Number
96220-60224
Description
ROLLER (6X22.4)
Serial Range
1000001 - 9999999
Qty
Price
$2.58

Ref No
67
Part Number
23250-VD6-900
Description
SHAFT, FINAL (NOT AVAILABLE)
Serial Range
1000001 - 9999999